KDS晶振,石英晶振,DT-26晶振
頻率:32.768KHZ
尺寸:2*6mm
引腳焊接型石英晶體元件..高精度的頻率和晶振本身更低的等效串聯電阻.常用負載電容,49/S石英晶振,因插件型鏡頭成本更低和更高的批量生產能力.
主要應用于電視,機頂盒,LCDM和游戲機家用常規電器數碼產品等的最佳選擇.符合RoHS/無鉛.
當你正在為晶振品牌而偏頭痛時,然而金洛電子作為日本大真空株式會社,(KDS)品牌的正規代理商,在此告訴你,選擇KDS晶振的品牌是你放心的決策.KDS晶振所有的產品均符合歐盟環保標準,KDS內部采用嚴格的管理制度,以地球環保為理念,所有生產的石英晶振產品都是以盡可能的減少對地球的污染,所以KDS產品都是無鉛環保化.
KDS晶振,石英晶振,DT-26晶振,插件石英晶振最適合用于比較低端的電子產品,比如兒童玩具,普通家用電器,即使在汽車電子領域中也能使產品高可靠性的使用.并且可用于安全控制裝置的CPU時鐘信號發生源部分,好比時鐘單片機上的石英晶振,在極端嚴酷的環境條件下,晶振也能正常工作
|
KDS晶振 |
單位 |
DT-26晶振 |
石英晶振基本條件 |
|
標準頻率 |
f_nom |
32.768KHZ |
標準頻率 |
|
儲存溫度 |
T_stg |
-20°C ~ +70°C |
裸存 |
|
工作溫度 |
T_use |
-10°C ~ +60°C |
標準溫度 |
|
激勵功率 |
DL |
200μW Max. |
推薦:1μW ~ 100μW |
|
頻率公差 |
f_— l |
±50 × 10-6 (標準), |
+25°C 對于超出標準的規格說明, |
|
頻率溫度特征 |
f_tem |
±30 × 10-6/-20°C ~ +70°C |
超出標準的規格請聯系我們. |
|
負載電容 |
CL |
12.5pF ~ ∞ |
不同負載要求,請聯系我們. |
|
串聯電阻(ESR) |
R1 |
如下表所示 |
-40°C — +85°C, DL = 100μW |
|
頻率老化 |
f_age |
±5 × 10-6 / year Max. |
+25°C,第一年 |
每個封裝類型的注意事項
(1)陶瓷包裝產品與SON產品
在焊接陶瓷晶振產品和SON產品 (MC-146,RTC-****NB,RX-****NB) 之后,彎曲電路板會因機械應力而導致焊接部分剝落或封裝分裂(開裂)。尤其在焊接這些產品之后進行電路板切割時,務必確保在應力較小的位置布局晶體并采用應力更小的切割方法。
陶瓷包裝產品
在一個不同擴張系數電路板(環氧玻璃)上焊接陶瓷諧振器產品時,在溫度長時間重復變化時可能導致端子焊接部分發生斷裂,請事先檢查焊接特性。
(2)陶瓷封裝產品
在一個不同擴張系數電路板(環氧玻璃)上焊接壓電陶瓷諧振器產品時,在溫度長時間重復變化時可能導致端子焊接部分發生斷裂,請事先檢查焊接特性。
(3)柱面式產品
產品的玻璃部分直接彎曲引腳或用力拉伸引腳會導致在引腳根部發生密封玻璃分裂(開裂),也可能導致氣密性和產品特性受到破壞。當石英水晶振動子產品的引腳需彎曲成下圖所示形狀時,應在這種場景下留出0.5mm的引腳并將其托住,以免發生分裂。當該引腳需修復時,請勿拉伸,托住彎曲部分進行修正。在該密封部分上施加一定壓力,會導致氣密性受到損壞。所以在此處請不要施加壓力。另外,為避負機器共振造成引腳疲勞切斷,建議用粘著劑將產品固在定電路板上。
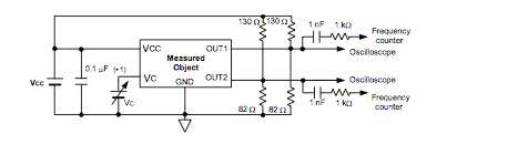
輸出波形與測試電路
1.時序表
2. 測試條件
(1) 電源電壓
? 超過 150µs,直到電壓級別從 0 %達到 90 % 。
? 電源電壓阻抗低于電阻 2Ω。
(2) 其他
? 輸入電容低于 15 pF
? 5倍頻率范圍或更多測量頻率。
? 鉛探頭應盡可能短。
? 測量頻率時,探頭阻抗將高于 1MΩ。當波形經過振蕩器的放大器時,可同時進行測量。
(3) 其他
? CL包含探頭電容。
? 應使用帶有小的內部阻抗的電表。
? 使用微型插槽,以觀察波形。
(請勿使用該探頭的長接地線。)
3. 測試電路
TCO-****系列 VG, TG, EG,XG系列 *1 :在頻率電壓控制功能時,進行連接
·
|
(1)CMOS 負載 |
|
|
(2) 抗低,電容負載 |
|
·
|
(3) TTL 負載 |
|
|
(4) LV-PECL 負載 |
|
|
(5)LV-PECL 負載 |
|
|
(6) LV-PECL 負載 |
|
|
(7) LVDS 負載 |
|
|
(8) HCSL 負載 |
|
公司名:深圳市金洛鑫電子有限公司
聯系人:茹紅青
手機:13510569637
電話:0755-27837162
QQ號:657116624
微信公眾號:CITIZENCRYSTAL
搜狐公眾號:晶振石英晶振NDK晶振
郵箱:jinluodz@163.com
地址:深圳市寶安區41區甲岸路19號
相關的產品 / Related Products

- XKC26-76K800-A12.5,Fortiming晶振,圓柱音叉表晶,6G通信設備晶振
XKC26-76K800-A12.5,Fortiming晶振,圓柱音叉表晶,6G通信設備晶振,Fortiming晶振,XKC26圓柱音叉表晶,進口插件晶振,XKC26-76K800-A12.5晶振,無源晶振,石英晶體諧振器,2*6mm晶振,頻率76.8KHz,負載12.5pF,頻率容差50ppm,工作溫度-10~60°C,輕薄小晶振,無鉛環保晶振,抗沖擊晶振,6G通信設備晶振,移動無線電晶振,尋呼機晶振,儲存卡U盤晶振.

- Fortiming晶振|WXC38-32K768-12.5|3*8mm|低成本時鐘晶體
Fortiming晶振|WXC38-32K768-12.5|3*8mm|低成本時鐘晶體,歐美進口晶振,Fortiming晶振,WXC38圓柱音叉表晶,WXC38-32K768-12.5晶振,進口插件晶振,無源晶振,石英晶體諧振器,3*8mm晶振,頻率32.768KHz,負載12.5pF,頻率容差20ppm,工作溫度-10~60°C,低成本晶振,優異的耐環境特性,低老化晶振,實時時鐘晶振,家用電視機頂盒晶振,攝像頭晶振,數碼產品晶振.

- XCS32-24M000-1E10G18,Fortiming晶振,6G通訊設備晶振
XCS32-24M000-1E10G18,Fortiming晶振,6G通訊設備晶振,Fortiming晶振,XCS32貼片石英晶振,無源晶振,XCS32-24M000-1E10G18晶振,石英水晶振動子,3225晶振,四腳貼片晶振,頻率24MHz,負載18pF,頻率穩定性10ppm,工作溫度-10~70°C,高精度晶振,小體積晶振,高品質晶振,6G通訊設備晶振,智能手機晶振,筆記本電腦晶振,便攜式設備晶振.
JLX-PD
金洛鑫產品系列
PRODUCT LINE
石英晶振
QuartzCrystal
- KDS晶振
- 愛普生晶振
- NDK晶振
- 京瓷晶振
- 精工晶振
- 西鐵城晶振
- 大河晶振
- 村田晶振
- 泰藝晶振
- TXC晶振
- 鴻星晶振
- 希華晶振
- 加高晶振
- 百利通亞陶晶振
- 嘉碩晶振
- 津綻晶振
- 瑪居禮晶振
- 富士晶振
- SMI晶振
- Lihom晶振
- SHINSUNG晶振
- NAKA晶振
- AKER晶振
- NKG晶振
- NJR晶振
- Sunny晶振
貼片晶振
SMDcrystal
- CTS晶振
- 微晶晶振
- 瑞康晶振
- 康納溫菲爾德晶振
- 高利奇晶振
- Jauch晶振
- AbraconCrystal晶振
- 維管晶振
- ECScrystal晶振
- 日蝕晶振
- 拉隆晶振
- 格林雷晶振
- SiTimeCrystal晶振
- IDTcrystal晶振
- PletronicsCrystal晶振
- StatekCrystal晶振
- AEK晶振
- AEL晶振
- Cardinal晶振
- Crystek晶振
- Euroquartz晶振
- Fox晶振
- Frequency晶振
- GEYER晶振
- KVG晶振
- ILSI晶振
- Mmdcomp晶振
- MtronPTI晶振
- QANTEK晶振
- QuartzCom晶振
- Quarztechnik晶振
- Suntsu晶振
- Transko晶振
- Wi2Wi晶振
- ITTI晶振
- Oscilent晶振
- ACT晶振
- Rubyquartz晶振
- MTI-milliren晶振
- PDI晶振
- IQD晶振
- Microchip晶振
- Silicon晶振
- Anderson晶振
- Fortiming晶振
- CORE晶振
- NIPPON晶振
- NIC晶振
- QVS晶振
- Bomar晶振
- Bliley晶振
- GED晶振
- FILTRONETICS晶振
- STD晶振
- Q-Tech晶振
- Wenzel晶振
- NEL晶振
- EM晶振
- PETERMANN晶振
- FCD-Tech晶振
- HEC晶振
- FMI晶振
- Macrobizes晶振
- AXTAL晶振
- ARGO晶振
- 瑞薩renesas晶振
- Skyworks晶振

手機版










晶振技術參數點擊下載

