Golledge晶振,貼片晶振,GSX49-3晶振,石英晶體諧振器
頻率:3.180~90MHZ
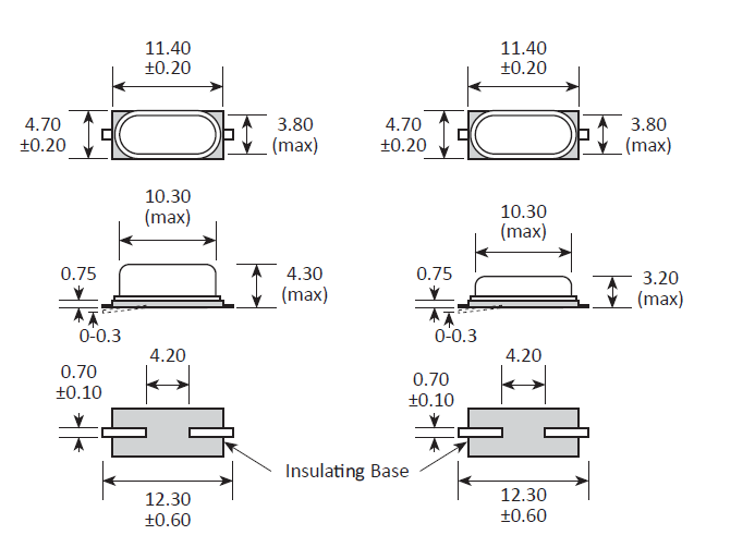
尺寸:11.4*4.7mm
Golledge是英國發展最快的頻率產品供應商。我們在競爭激烈的市場上繼續成功是對我們的產品質量和出色的服務的敬意。電子技術和技術相關產業正在迅速發展。隨著技術進步和商業世界的發展,golledge擁有支持我們客戶需求的歐美晶振資源和靈活性。我們的理念是以產品和服務的質量和一致性為基礎的。我們致力于為業界提供最高的服務質量。我們的持續增長和極高的客戶保留水平是這一承諾的證據。總部位于西英格蘭心臟地帶的一個美麗的轉換農場建筑的收集,golledge向全世界50多個國家的出口,占收入的60%以上。
晶體全自動晶片清洗技術:石英晶振生產工序主要有晶片清洗、被銀、上架電膠、微調、封焊、撿漏、印字、老化、測試,進口石英晶振晶片清洗:清除石英晶振晶片表面的污物、油物,以保證被銀電極。被復良好牢固。清洗間有很多化學試劑,酒精、異丙醇、硫酸、硝酸、清洗液同時還有電爐烤箱,在晶振生產過程中應注意人身安全和設備安全。被銀:用真空鍍膜原理在潔凈的石英晶振晶片上蒸鍍薄銀層,形成引出電極,并使其頻率達到一定范圍 。采用蒸鍍微調: 被銀片頻率應滿足 f 0 +(50 至 1000ppm)的要求,采用離子微調:離子微調被銀片頻率應滿足 f 0 -(50 至 1200ppm)。龜殼型假貼片晶振,二腳49SMD諧振器,GSX49-3晶振
|
Golledge晶振 |
單位 |
GSX49-3晶振 |
石英晶振基本條件 |
|
標準頻率 |
f_nom |
3.180~90MHZ |
標準頻率 |
|
儲存溫度 |
T_stg |
-40°C ~ +90°C |
裸存 |
|
工作溫度 |
T_use |
-10°C ~ +85°C |
標準溫度 |
|
激勵功率 |
DL |
100μW Max. |
推薦:100μW |
|
頻率公差 |
f_— l |
±20,±30,±50 × 10-6 (標準) |
+25°C 對于超出標準的規格說明, |
|
頻率溫度特征 |
f_tem |
±30,±50,±100 × 10-6/-20°C ~+70°C |
超出標準的規格請聯系我們. |
|
負載電容 |
CL |
7pF |
不同負載要求,請聯系我們. |
|
串聯電阻(ESR) |
R1 |
如下表所示 |
-40°C — +85°C, DL = 100μW |
|
頻率老化 |
f_age |
±3× 10-6 / year Max. |
+25°C,第一年 |
操作:請勿用鑷子或任何堅硬的工具,夾具直接接觸IC的表面。11.使用環境(溫度和濕度)請在規定的溫度范圍內使用石英晶振。這個溫度涉及本體的和季節變化的溫度。在高濕環境下,會由于凝露引起故障。請避免凝露的產生。SMD進口晶振/石英晶體諧振器,激勵功率:在晶振上施加過多驅動力,會導致產品特性受到損害或破壞。電路設計必須能夠維持適當的激勵功率 。負極電阻:除非石英晶體振蕩器回路中分配足夠多的負極電阻,否則振蕩或振蕩啟動時間可能會增加.
關于機械性沖擊(1) 從設計角度而言,即使金屬石英晶振從高度75cm處落到硬質木板上三次,按照設計不會發生什么問題,但因落下時的不同條件而異,有可能導致石英芯片的破損。在使之落下或對它施加沖擊之時,在使用之前,建議確認一下振蕩檢查等的條件。(2) SMD石英晶振與電阻以及電容器的芯片產品不同,由于在內部對石英晶振晶片進行了密封保護,因此關于在自動安裝時由于沖擊而導致的影響,請在使用之前,懇請貴公司另外進行確認工作。(3) 請盡量避免將本公司的音叉型晶振與機械性振動源(包括超聲波振動源)安裝到同一塊基板上,不得已要安裝到同一塊基板上時,請確保晶振能正常工作。龜殼型假貼片晶振,二腳49SMD諧振器,GSX49-3晶振
振蕩頻率測量:必須盡可能地測量安裝在電路上的49SMD石英晶體的振蕩頻率的真實值,使用正確的方法。在振蕩頻率的測量中,通常使用探頭和頻率計數器。然而,我們的目標是通過限制測量工具對振蕩電路本身的影響來測量。有三種頻率測量模式,如下面的圖所示(圖)。2, 3和4)。最精確的測量方法是通過使用任何能夠精確測量的頻譜分析儀來實現的。Golledge晶振,貼片晶振,GSX49-3晶振,石英晶體諧振器
接觸振蕩電路:探針不影響圖2,因為緩沖器的輸出是通過貼片石英晶振輸入振蕩電路的輸出來測量的。逆變器進入下一階段。探針不影響圖3,因為在IC上測量緩沖器輸出(1/1、1/2等)。圖4示出了來自ic的無緩沖器輸出接收的情況,由此通過小尺寸測量來最小化探針的效果。輸出點之間的電容(3 pF以下XTAL終端IC)和探針。然而,應該注意到,使用這種方法輸出波形較小,測量不能依賴于即使示波器能檢查振蕩波形,頻率計數器的靈敏度也可以。在這種情況下,使用放大器來測量。
負載電容:如果振蕩電路中負載電容的不同,可能導致低殼49SMD晶振振蕩頻率與設計頻率之間產生偏差,如下圖所示。電路中的負載電容的近似表達式 CL≒CG × CD / (CG+CD) + CS。其中CS表示電路的雜散電容。
測試條件:(1)電源電壓:超過 150µs,直到電壓級別從 0 %達到 90 % 。電源電壓阻抗低于電阻 2Ω。(2)其他:輸入電容低于 15 pF5倍頻率范圍或更多測量頻率。
鉛探頭應盡可能短。測量頻率時,探頭阻抗將高于 1MΩ。當波形經過石英貼片晶振振蕩器的放大器時,可同時進行測量。(3)其他:CL包含探頭電容。應使用帶有小的內部阻抗的電表。使用微型插槽,以觀察波形。(請勿使用該探頭的長接地線).
公司名:深圳市金洛鑫電子有限公司
聯系人:茹紅青
手機:13510569637
電話:0755-27837162
QQ號:657116624
微信公眾號:CITIZENCRYSTAL
搜狐公眾號:晶振石英晶振NDK晶振
郵箱:jinluodz@163.com
地址:深圳市寶安區41區甲岸路19號
相關的產品 / Related Products

- Raltron晶振,貼片晶振,ASA-SMD晶振,石英晶振
- 普通貼片石英晶振外觀使用金屬材料封裝的,具有高穩定性,高可靠性的石英晶體諧振器,晶振外觀本身使用金屬封裝,充分的密封性能,可確保其高可靠性,采用編帶包裝,外包裝采用朔膠盤,可在自動貼片機上對應自動貼裝等優勢.

- Jauch晶振,貼片晶振,SMU2晶振,石英無源晶振
- 普通貼片石英晶振外觀使用金屬材料封裝的,具有高穩定性,高可靠性的石英晶體諧振器,晶振外觀本身使用金屬封裝,充分的密封性能,可確保其高可靠性,采用編帶包裝,外包裝采用朔膠盤,可在自動貼片機上對應自動貼裝等優勢.

- NDK晶振,貼片晶振,AT_41CD2晶振,石英晶振
- 普通貼片石英晶振外觀使用金屬材料封裝的,具有高穩定性,高可靠性的石英晶體諧振器,晶振外觀本身使用金屬封裝,充分的密封性能,可確保其高可靠性,采用編帶包裝,外包裝采用朔膠盤,可在自動貼片機上對應自動貼裝等優勢.
JLX-PD
金洛鑫產品系列
PRODUCT LINE
石英晶振
QuartzCrystal
- KDS晶振
- 愛普生晶振
- NDK晶振
- 京瓷晶振
- 精工晶振
- 西鐵城晶振
- 大河晶振
- 村田晶振
- 泰藝晶振
- TXC晶振
- 鴻星晶振
- 希華晶振
- 加高晶振
- 百利通亞陶晶振
- 嘉碩晶振
- 津綻晶振
- 瑪居禮晶振
- 富士晶振
- SMI晶振
- Lihom晶振
- SHINSUNG晶振
- NAKA晶振
- AKER晶振
- NKG晶振
- NJR晶振
- Sunny晶振
貼片晶振
SMDcrystal
- CTS晶振
- 微晶晶振
- 瑞康晶振
- 康納溫菲爾德晶振
- 高利奇晶振
- Jauch晶振
- AbraconCrystal晶振
- 維管晶振
- ECScrystal晶振
- 日蝕晶振
- 拉隆晶振
- 格林雷晶振
- SiTimeCrystal晶振
- IDTcrystal晶振
- PletronicsCrystal晶振
- StatekCrystal晶振
- AEK晶振
- AEL晶振
- Cardinal晶振
- Crystek晶振
- Euroquartz晶振
- Fox晶振
- Frequency晶振
- GEYER晶振
- KVG晶振
- ILSI晶振
- Mmdcomp晶振
- MtronPTI晶振
- QANTEK晶振
- QuartzCom晶振
- Quarztechnik晶振
- Suntsu晶振
- Transko晶振
- Wi2Wi晶振
- ITTI晶振
- Oscilent晶振
- ACT晶振
- Rubyquartz晶振
- MTI-milliren晶振
- PDI晶振
- IQD晶振
- Microchip晶振
- Silicon晶振
- Anderson晶振
- Fortiming晶振
- CORE晶振
- NIPPON晶振
- NIC晶振
- QVS晶振
- Bomar晶振
- Bliley晶振
- GED晶振
- FILTRONETICS晶振
- STD晶振
- Q-Tech晶振
- Wenzel晶振
- NEL晶振
- EM晶振
- PETERMANN晶振
- FCD-Tech晶振
- HEC晶振
- FMI晶振
- Macrobizes晶振
- AXTAL晶振
- ARGO晶振
- 瑞薩renesas晶振
- Skyworks晶振

手機版














