大河晶振,貼片晶振,TFX-02S晶振,進口石英晶振
頻率:32.768KHZ
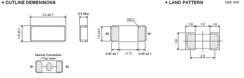
尺寸:3.2*1.5mm
河水總是干凈,不限。聽了小涌源流,自然和支流融合不久大潮流到長路等著吧。盡管如此,河流每天都會不斷地滋潤著我們的生活和自然。這是企業和關于這種環境的環境也可以說同樣的事情吧。企業與各種各樣的人和社會融合,共享社會全體和價值觀,通過晶振事業創造了新的價值和服務,即,滋潤。這兩者共通的“濕潤”才是河エレテック的目標的地方,對社會的使命也有。32.768KHZ石英晶振,3215音叉表晶晶振,TFX-02S晶振
河エレテック,2014年開始2017年為止的第4次中期經營計劃啟動了。作為經營理念,“顧客的滿足與信賴的獲得”、“通過獨創的構思的價值的創造”、“事業結構改革提高無源晶振收益能力”,將所有的利益都信賴在公司的目標。制造公司都是100%出資子公司的青森河技術有限公司,River Electronics(Ipoh)Sdn . Bhd(馬來西亞),西安大河晶振科技有限公司(中國)。銷售網絡的話,東京,大阪營業所,韓國駐在員事務所,銷售子公司都會100%出資公司的臺灣利巴股份有限公司(臺灣),River Electronics(Singapore)Pte .有限公司(新加坡),西安大河晶振科技有限公司(中國)。這些基礎上不僅在亞洲地區,包括北美、歐洲的世界范圍。
大河晶振,貼片晶振,TFX-02S晶振,進口石英晶振,貼片表晶32.768K系列具有超小型,薄型,質地輕的表面貼片音叉型石英晶體諧振器,晶振產品本身具備優良的耐熱性,耐環境特性,在辦公自動化,家電領域,移動通信領域可發揮優良的電氣特性,符合無鉛標準,滿足無鉛焊接的回流溫度曲線要求,金屬外殼的石英晶振使得產品在封裝時能發揮比陶瓷晶振外殼更好的耐沖擊性能.
晶振撿漏:檢查貼片晶振封焊后的產品是否有漏氣現象(粗撿漏、細撿漏)3.7.1、粗撿漏:檢查較大的漏氣現象。細撿漏:檢查較小的漏氣現象。3.7.2、酒精撿漏:把晶振放置在酒精容器內加壓,取出后對產品進行絕緣測試,判定是否漏氣。一般用絕緣電阻測試法進行,要求直流電壓 Vcc=100 V、絕緣電阻 RR≥500 MΩ。用于粗撿漏。3.7.3、氣泡撿漏:把石英晶振放置在 FC-40 中,觀察產品是否存在氣泡現象。用于粗撿漏。3.7.4、氦撿漏:產品加壓灌氦后,用氦撿漏儀進行撿漏。用于細撿漏。3.8、打印:在產品上印上標示。有油墨打印、激光打印。3.8.1、注意:產品頻率、標準印字、特殊印字、部分產品打印前一定要確定產品頻率。標簽打印:標準標簽打印、特殊標簽打印。32.768KHZ石英晶振,3215音叉表晶晶振,TFX-02S晶振
|
大河晶振 |
單位 |
FCX-02S晶振 |
石英晶振基本條件 |
|
標準頻率 |
f_nom |
32.768KHZ |
標準頻率 |
|
儲存溫度 |
T_stg |
-40°C ~ +125°C |
裸存 |
|
工作溫度 |
T_use |
-20°C ~ +105°C |
標準溫度 |
|
激勵功率 |
DL |
200μW Max. |
推薦:1μW ~ 100μW |
|
頻率公差 |
f_— l |
±10ppm~±50ppm |
+25°C 對于超出標準的規格說明, |
|
頻率溫度特征 |
f_tem |
±50 × 10-6 |
超出標準的規格請聯系我們. |
|
負載電容 |
CL |
7pF、9pF、12.5pF |
不同負載電容要求,請聯系我們. |
|
串聯電阻(ESR) |
R1 |
如下表所示 |
-40°C — +85°C, DL = 100μW |
|
頻率老化 |
f_age |
±5 × 10-6 / year Max. |
+25°C,第一年 |
我們可以改善石英貼片晶振的頻率輸出的偏差超過范圍由以下幾個方法:調整外部電容,Cd和CG的值。如果由頻率計數器測量頻率比目標頻率高,要增加外部電容CL(或Cd以及C 8的值),以降低頻率到我們的目標頻率,反之亦然。可以采用不同負載電容(CL)的晶振試用。 試用晶振具有較低電容若頻率比目標頻率超高很多的話。請檢查波形幅度是否是正常或不使用示波器,正確的電容是通過和頻率調節到目標之后。根據該波形振幅收縮,由于增加外部電容,請使用方法2調整頻率(較低的外部電容,并采用低電容的晶體)的情況。頻率輸出頻率的目標只有三分之一。下面的曲線表示晶體的電阻的特征:大河晶振,貼片晶振,TFX-02S晶振,進口石英晶振
石英晶體諧振器具有多種振動模式,如基頻, 3次泛音,5次泛音等等。當基頻模式應用時,晶振的電阻是最低的,這意味著它是最簡單的石英晶體振蕩器。當第三色調模式被應用,一個放大電路必須被利用以降低基本模式的頻率反饋到所述延伸小于所述第三音調模式。因此,如果頻率是只有三分之一的目標頻率時,要檢查是否放大處理電路被施加或它的設定值就足夠了,因為電路的環境適合于基本模式,而不是第三次泛音調模式。該電路可能不振蕩,如果放大電路不施加或它的設定值是不足夠的。4-3。基頻模式與三次泛音模式應用程序如下: 一。的基頻模式B應用。三次泛音模式的應用程序
下表顯示升的匹配值,C由各種頻率三次泛音模式:SMD晶振頻率輸出是目標頻率的三倍這個問題的可能性相對較小。請確定的三次泛音調模式的頻率反饋是否大于基頻模式,由于放大電路的反饋大。當放大電路內置于芯片組此問題可能會發生。為了解決這個問題,請采用三次泛音模式晶振。32.768KHZ石英晶振,3215音叉表晶晶振,TFX-02S晶振

振蕩補償:除非在振蕩電路中32.768K貼片晶振提供足夠的負極電阻,否則會增加振蕩啟動時間,或不發生振蕩。為避免該情況發生,請在電路設計時提供足夠的負極電阻。大河晶振,貼片晶振,TFX-02S晶振,進口石英晶振
振蕩頻率測量:必須盡可能地測量安裝在電路上的32.768KHZ晶振諧振器的振蕩頻率的真實值,使用正確的方法。在振蕩頻率的測量中,通常使用探頭和頻率計數器。然而,我們的目標是通過限制測量工具對振蕩電路本身的影響來測量。有三種頻率測量模式,如下面的圖所示(圖)。2, 3和4)。最精確的測量方法是通過使用任何能夠精確測量的頻譜分析儀來實現的。接觸振蕩電路。
探針不影響圖2,因為緩沖器的輸出是通過日本進口 音叉晶體輸入振蕩電路的輸出來測量的。逆變器進入下一階段。探針不影響圖3,因為在IC上測量緩沖器輸出(1/1、1/2等)。圖4示出了來自ic的無緩沖器輸出接收的情況,由此通過小尺寸測量來最小化探針的效果。輸出點之間的電容(3 pF以下XTAL終端IC)和探針。然而,應該注意到,使用這種方法輸出波形較小,測量不能依賴于即使示波器能檢查振蕩波形,頻率計數器的靈敏度也可以。在這種情況下,使用放大器來測量。
此外,振蕩頻率與測量點不同。1。測量緩沖輸出2。振蕩級輸出測量三.通過3.2*1.5貼片晶振電容器測量振蕩級輸出圖5示出以上1-3個測量點和所測量的除緩沖器輸出外,振蕩頻率較低。
公司名:深圳市金洛鑫電子有限公司
聯系人:茹紅青
手機:13510569637
電話:0755-27837162
QQ號:657116624
微信公眾號:CITIZENCRYSTAL
搜狐公眾號:晶振石英晶振NDK晶振
郵箱:jinluodz@163.com
地址:深圳市寶安區41區甲岸路19號
相關的產品 / Related Products

- Golledge晶振,貼片晶振,CC7A晶振,無源晶振
- 超小型,薄型,質地輕的表面貼片音叉型晶體諧振器,手機晶體,產品體積小,特別適用于各種小巧的便攜式消費電子數碼產品,在移動通信領域得到了廣泛的應用,晶振產品本身可發揮優良的電氣特性,滿足無鉛焊接的高溫回流溫度曲線要求.

- TXC晶振,貼片晶振,AH晶振,無源貼片晶振
- 貼片石英晶體諧振器,又簡稱為排帶包裝,這是這產品采用排帶盤式包裝,使產品在焊接時能采用SMT自動貼片機高速的焊接,大大節約人工,提高工作效率。32.768KHz千赫子時鐘晶體,其本身主要應用在時鐘控制產品,或者是控制模塊,主要給時鐘芯片提供一個基準信號,其主要各項功能還得看應用何種產品。本產品具有小型,薄型,輕型的貼片晶振表面型音叉式石英晶體諧振器,產品具有優良的耐熱性,耐環境特性,可發揮晶振優良的電氣特性,符合RoHS規定,滿足無鉛焊接的高溫回流溫度曲線要求,金屬外殼的封裝使得產品在封裝時能發揮比陶瓷諧振器外殼更好的耐沖擊性.

- TXC晶振,貼片晶振,9HT10晶振,石英晶振
- 貼片表晶32.768K系列具有超小型,薄型,質地輕的表面貼片音叉型石英晶體諧振器,晶振產品本身具備優良的耐熱性,耐環境特性,在辦公自動化,家電領域,移動通信領域可發揮優良的電氣特性,符合無鉛標準,滿足無鉛焊接的回流溫度曲線要求,金屬外殼的石英晶振使得產品在封裝時能發揮比陶瓷晶振外殼更好的耐沖擊性能.
JLX-PD
金洛鑫產品系列
PRODUCT LINE
石英晶振
QuartzCrystal
- KDS晶振
- 愛普生晶振
- NDK晶振
- 京瓷晶振
- 精工晶振
- 西鐵城晶振
- 大河晶振
- 村田晶振
- 泰藝晶振
- TXC晶振
- 鴻星晶振
- 希華晶振
- 加高晶振
- 百利通亞陶晶振
- 嘉碩晶振
- 津綻晶振
- 瑪居禮晶振
- 富士晶振
- SMI晶振
- Lihom晶振
- SHINSUNG晶振
- NAKA晶振
- AKER晶振
- NKG晶振
- NJR晶振
- Sunny晶振
貼片晶振
SMDcrystal
- CTS晶振
- 微晶晶振
- 瑞康晶振
- 康納溫菲爾德晶振
- 高利奇晶振
- Jauch晶振
- AbraconCrystal晶振
- 維管晶振
- ECScrystal晶振
- 日蝕晶振
- 拉隆晶振
- 格林雷晶振
- SiTimeCrystal晶振
- IDTcrystal晶振
- PletronicsCrystal晶振
- StatekCrystal晶振
- AEK晶振
- AEL晶振
- Cardinal晶振
- Crystek晶振
- Euroquartz晶振
- Fox晶振
- Frequency晶振
- GEYER晶振
- KVG晶振
- ILSI晶振
- Mmdcomp晶振
- MtronPTI晶振
- QANTEK晶振
- QuartzCom晶振
- Quarztechnik晶振
- Suntsu晶振
- Transko晶振
- Wi2Wi晶振
- ITTI晶振
- Oscilent晶振
- ACT晶振
- Rubyquartz晶振
- MTI-milliren晶振
- PDI晶振
- IQD晶振
- Microchip晶振
- Silicon晶振
- Anderson晶振
- Fortiming晶振
- CORE晶振
- NIPPON晶振
- NIC晶振
- QVS晶振
- Bomar晶振
- Bliley晶振
- GED晶振
- FILTRONETICS晶振
- STD晶振
- Q-Tech晶振
- Wenzel晶振
- NEL晶振
- EM晶振
- PETERMANN晶振
- FCD-Tech晶振
- HEC晶振
- FMI晶振
- Macrobizes晶振
- AXTAL晶振
- ARGO晶振
- 瑞薩renesas晶振
- Skyworks晶振

手機版














